Hangzhou Saiwei Motor Co., Ltd.
EC Centrifugal Axial Fan
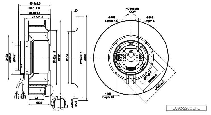
EC92-220

EC92-220

Working method: S1

Insulation level: Class F

Protection level: IP55

Ambient temperature: -40℃~60℃

Product details Downlaod

Model

Voltage V

Frequency Hz

Rated current A

Input power W

Speed ​​r/min

Noise db(A)

Air volume m³/h

Curve

EC92-220EPE

230

50/60

1.2

160

3580

76

1190



Related Certifications